Pump and pump pry system supplier
Description:
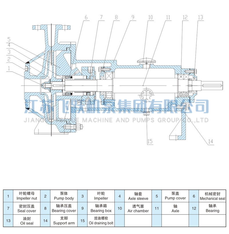
The third generation molten urea pump is a single-stage single suction cantilever centrifugal pump. Suitable for transporting melted urea solution in fertilizer plants, and can also be used for transporting other corrosive liquids that do not contain suspended particles. The temperature of the medium is allowed to be between -20 ℃ and 180 ℃. The pump is designed for horizontal axial suction and radial top discharge. There is an insulation jacket on the front side of the pump, and the double insulation jacket allows for steam insulation at 0.59MPa and 170 ℃. Users can choose different materials, models, and adjustable flow rates and head according to the degree of corrosion performance of the conveyed medium.
If you would like to have a deeper understanding of our products, prices, and after-sales service, please contact us in the following ways. We will respond promptly and provide you with necessary services wholeheartedly.

Address : No. 18, Runxin Avenue, Xinqiao Industrial Park, Jingjiang City, Jiangsu Province, China
Copyright © 2025 Jiangsu Feiyue Pump Industry Co., Ltd.
Privacy StatementBriefly describe your project's operating conditions and requirements, and we will recommend the best pump type and solution for you.
✔ No spam emails
✔ Response within 12 hours
Address : No. 18, Runxin Avenue, Xinqiao Industrial Park, Jingjiang City, Jiangsu Province, China
Copyright © 2025 Jiangsu Feiyue Pump Industry Co., Ltd.
